-
精密鑄造
閥體為精密鑄造閥體,化學成分和力學性能符合國家標準,可提供材質報告
-
外面精美
內件數控機床加工,配合精密,外觀平整美觀
-
閥座耐磨
閥座堆焊不銹鋼,增加閥座耐磨性
-
彈簧不銹鋼
彈簧采用304不銹鋼材質
-
出廠檢測
每臺閥門出廠均按照國家標準做殼體、密封雙層壓力檢測
-
-
-
-
產品優點
產品介紹
對夾升降式止回閥是閥瓣沿著閥體垂直中心線滑動的止回閥,由閥體、閥瓣、彈簧等組成,水平或垂直安裝于管路系統,防止介質倒流,具有結構短、體積小、重量輕;閥瓣關閉快速,水錘壓力小;流道通暢,流體阻力小;動作靈敏,密封性能好等特點,特別適合于安裝空間受限制的場合。
產品參數
| 可選配置 | 閥體 | 閥座密封 | 閥瓣 | 壓力 | |
| WCB/CF3M/CF8/ CF8M | 不銹鋼/硬質合金 | A105/304/316/316L | PN10/16/25/40/63/150LB/300LB | ||
| 名稱 | 設計及制造 | 結構長度 | 試壓標準 | 法蘭連接標準 |
| 參照標準 | JB/T 8937 | GB/T 12221 | GB/T 13927 | GB/T 9113 |
| 公稱尺寸 | PN10/16 | |||
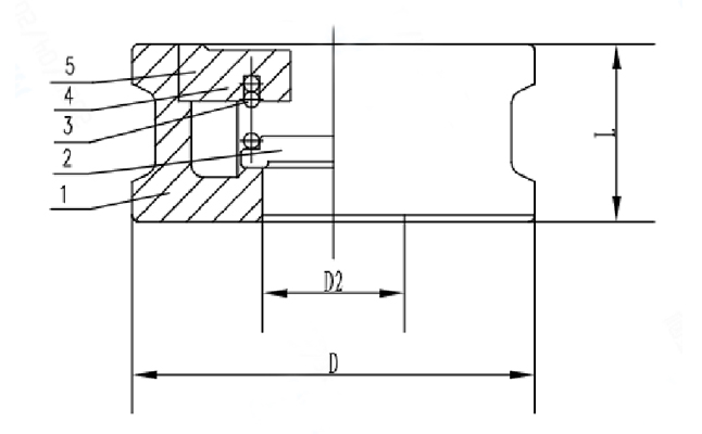
| DN | NPS(英寸) | L | D | D2 |
| 15 | 1/2'' | 22 | 52 | 15 |
| 20 | 3/4'' | 24 | 62 | 19 |
| 25 | 1'' | 28 | 72 | 24 |
| 32 | 1 1/4'' | 28 | 83 | 31 |
| 40 | 1 1/2'' | 31.5 | 93 | 39 |
| 50 | 2'' | 40 | 108 | 48 |
| 65 | 2 1/2'' | 46 | 128 | 62 |
| 80 | 3'' | 50 | 142 | 76 |
| 100 | 4'' | 60 | 162 | 95 |
| 125 | 5'' | 90 | 192 | 110 |
| 150 | 6'' | 106 | 218 | 127 |
| 200 | 8'' | 140 | 273 | 165 |
語言:簡體中文
English
Русский
簡體中文












