-
優良鍛造鋼
材料選用優良鍛造鋼,化學成分和力學性能符合國家標準,可提供材質報告
-
內件精密外表美觀
內件數控機床加工,配合精密,零部件統配可互換,外觀平整美觀
-
密封面硬度達標
密封面采用等離子堆焊,增加閥門耐磨性,硬度達到國家標準
-
內腔清潔度達標
內腔清潔度達到JB/T7748標準,符合閥門長期存儲要求
-
雙層壓力檢測
每臺閥門出廠均按照國家標準做殼體、密封雙層壓力檢測
-
-
-
-
產品優點
產品介紹
用鍛件材料加工而成的截止閥稱為鍛鋼截止閥,鍛件材料有A105、F11、F304、F304L、F316、F316L等。鍛鋼截止閥通常指小口徑的鍛鋼截止閥,口徑范圍:DN10-DN50;壓力范圍:國標PN16-PN320、美標:Class150-2500,可采美標或國標尺寸生產加工;鍛鋼截止閥適用于工作溫度 -29~425℃(碳鋼)或 -29~500℃(不銹鋼)的小口徑管路上,用于截斷或接通管路中的介質,在石油管道上應用較多。
產品參數
| 可選配置 | 閥體 | 閥座密封 | 閥瓣 | 壓力 | |
| A105/F11/F304/ F316/F316L | 不銹鋼/硬質合金 | A105/304/316/316L | PN16-PN420/Class150-2500 | ||
| 名稱 | 設計及制造 | 結構長度 | 試壓標準 | 連接標準 |
| 參照標準 | API 602 | ASME B16.10 | API 598 | ASME B16.11 ASME B1.20.1 |
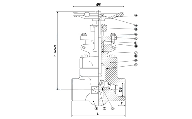
| 名稱 | 1-閥體 | 2-閥瓣 | 3-閥桿 |
| 材質及說明 | A105 | A105 | 410 |
| DN | NPS(英寸) | L | Φd | H | ΦS | T |
| 15 | 1/2'' | 79 | 10.5 | 158 | 21.8 | 10 |
| 20 | 3/4'' | 92 | 13 | 160 | 27.1 | 13 |
| 25 | 1'' | 111 | 18 | 198 | 33.9 | 13 |
| 32 | 1 1/4'' | 120 | 23 | 226 | 42.7 | 13 |
| 40 | 1 1/2'' | 152 | 28 | 246 | 48.8 | 13 |
| 50 | 2'' | 172 | 36 | 290 | 61.1 | 15 |
語言:簡體中文
English
Русский
簡體中文












