-
鍛壓黃銅閥體
閥體采用黃銅一次鍛壓成型,材質密度高;
-
不銹鋼基座
不銹鋼基座、鋁外殼;
-
全封閉驅動
采用全封閉單向磁滯同步電機驅動不銹鋼彈簧復位;
-
可按客戶要求訂做
電機電壓及閥體接管形式均可按照客戶要求訂做;
-
安裝使用方便
驅動器和閥體不需要任何工具就能簡單快速地拆卸,安裝使用十分方便。
-
-
-
-
產品優點
產品介紹
般德電動二通閥,產品配置:螺紋連接,黃銅59-1 閥體,黃銅+NBR 閥板,NBR 密封。電源:AC24,AC110,AC220V 50/60Hz;功率:6.5W;開關時間:開啟時間≤18S 關閉時間≤7S。主要應用領域在中央空調系統上。
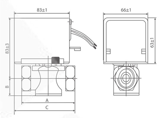
產品參數
| 主要零部件信息 | 名稱 | 閥體 | 閥板 | 密封 | 閥桿 |
| 材質及說明 | 黃銅59-1 | 黃銅+NBR | NBR | 黃銅 | |
| 尺寸信息 | DN | NPS(英寸) | A | B | C |
| 15 | 1/2" | 72 | 23 | 88 | |
| 20 | 3/4" | 86 | 23 | 96 | |
| 25 | 1" | 88 | 23 | 98 |
語言:簡體中文
English
Русский
簡體中文









